
Jedná se o malé solárně podporované tepelné čerpadlo na ohřev vody s jedním nebo dvěma termodynamickými panely a integrovaným nerezovým zásobníkem TUV ve velikostech 200 - 500L.
Vhodný pro: domácnosti, komerční i veřejné budovy
Využití:
1 panel 1-4 osob
2 panely 5-8 osob
Ohřev vody na 55°C.
COP 2,3 - 6
Termodynamický panel je závislý na okolní teplotě, ne na slunečním svitu! Může tak být umístěn v exteriéru a využívat venkovní teploty i slunečního svitu, který jej zahřívá a tím zvyšuje jeho účinnost. Nebo může být panel umístěn v interiéru budovy a absorbovat tak zbytkové teplo z objektu.
Systém má ovládací panel s řadou funkcí, díky kterým můžete regulovat výkon a úspory.
Jedná se velice kvalitní ohřívač vody, s nízkými provozními náklady, dlouhou životností a efektivní návratností investice.
Produktový list ECO ke stažení
Bližší informace o produktu ➤➤➤ www.energie-ts.cz/produkty/eco


Jedná se o malé solárně podporované tepelné čerpadlo na ohřev vody s jedním nebo dvěma termodynamickými panely. Ohřívá vodu do externího bojleru nebo zásobníku TUV.
Vhodný pro: domácnosti, komerční i veřejné budovy
Využití:
1 panel 1-4 osob
2 panely 5-8 osob
Ohřev vody na 55°C.
Termodynamický panel je závislý na okolní teplotě, ne na slunečním svitu! Může tak být umístěn v exteriéru a využívat venkovní teploty i slunečního svitu, který jej zahřívá a tím zvyšuje jeho účinnost. Nebo může být panel umístěn v interiéru budovy a absorbovat tak zbytkové teplo z objektu.
Systém má ovládací panel s celou řadou funkcí, díky kterým můžete regulovat výkon a úspory.
Jedná se velice kvalitní ohřívač vody, s nízkými provozními náklady, dlouhou životností a efektivní návratností investice.
Produktový list SolarBox ke stažení
Bližší informace o produktu ➤➤➤ www.energie-ts.cz/produkty/solar-box


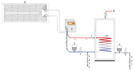
Jedná se o solárně podporované tepelné čerpadlo na vytápění nebo ohřev vody. Panely slouží jako výparníky pro vnitřní termodynamickou jednotku .
Vhodný pro: rodinné domy, bytové domy, komerční i veřejné budovy
Termodynamický panel je závislý na okolní teplotě, ne na slunečním svitu!
Systém má ovládací panel s celou řadou funkcí, díky kterým můžete regulovat výkon a úspory.
Jedná se velice kvalitní produkt pro ohřev vody, s dlouhou životností a efektivní návratností investice.
Produktový list SolarBlock ke stažení
Produktový list SolarBlock ultra ke stažení
Bližší informace o produktu ➤➤➤ www.energie-ts.cz/produkty/solar-block

Jedná se o tepelné čerpadlo na vytápění nebo ohřev vody.
Vhodný pro: rodinné domy, komerční i veřejné budovy
Systém má ovládací panel s celou řadou funkcí, díky kterým můžete regulovat výkon a úspory.
Jedná se velice kvalitní tepelné čerpadlo s dlouhou životností a efektivní návratností investice.

Jedná se o tepelné čerpadlo na vytápění / ohřev vody.
Vhodný pro: rodinné domy, komerční i veřejné budovy
Typ: monoblok / invertor
Ekologické chladivo R290
Systém má ovládací panel s celou řadou funkcí, díky kterým můžete regulovat výkon a úspory.
Jedná se velice kvalitní tepelné čerpadlo s dlouhou životností a efektivní návratností investice.
Stačí kliknout
a připravíme pro vás návrh řešení na míru
Specializujeme se na dovoz, návrhy a realizace systémů s termodynamickými panely, tepelnými čerpadly a dalšími technologiemi pro snížení nákladů na ohřev vody a vytápění.
Dále poskytujeme řešení od výrobců: Neota CZ, Nibe, Fujitsu, LG ...
Naše firma se od roku 2009 zaměřuje na komplexní služby v oblasti energetických zdrojů. Od konzultace, poradenství, přes návrh řešení až po instalaci a technickou podporu.
Zajistíme pro vás termodynamický systém na efektivní a levný ohřev vody, vytápění nebo chlazení.